
Une idée sur une modifications interne ou externe du Cayenne?
Que ce soit électrique ou esthétique. un peu de tuning.
Sam 7 Mai 2022, 06:56
Bonjour,
J’ai re démonté sous la moquette pour accéder encore au faisceau.
Sincèrement les fils sont propres, directs (pas d épissure)…
J ai séparé et tiré les câbles mais pas de casse laissant présager un faux contact…
Il faut remonter plus haut vers le pare brise ?

- 28D9258B-3454-4045-B29C-6D00E5EAC902.jpeg (240.72 Kio) Vu 10143 fois
Ci joint une petite vidéo pour constater l état
Sam 7 Mai 2022, 07:26
Je suis remonté bien plus haut, a hauteur de la pedale de frein de parking, en déroulant la gaine « tissus » de protection du faisceau sur 40cm environ !!
Je vois enfin les épissures dont les divers tutos parlaient…
Je vais refaire les 2 connections visibles

- 9694AC4F-3533-42AA-9922-429E5409E22D.jpeg (224.11 Kio) Vu 10133 fois

- 01DB4B5A-9661-41E6-B11C-39EB8AE9948E.jpeg (250.54 Kio) Vu 10133 fois
Sam 7 Mai 2022, 07:43
Lorsque l’on refait ces épissures, il faut les protéger avec du scotch d’électricien de qualité, bien allongé pour que l’étanchéité soit la meilleure. Ensuite une ou deux gaines thermo- rétractables.
Le plus adapté avant les gaines thermo-rétractables, est d’utiliser de "la peau de chat", un isolant en rouleau dont les couches se fondent entre elles et permettent une étanchéité parfaite. Ce type d’isolant se trouve facilement en magasin ou rayons électricité.
Biens nettoyer les fils avant soudure, extrémité des fils dans un verre d’eau pour éliminer le sulfate, séchage. Nettoyage du décapant après soudure.
Les épissures bien refaites pourront subir un nouveau bain sans dégâts.
Sam 7 Mai 2022, 08:53
Voilà, c est fait, j ai repris au final 3-4 épissures dont 1 (noire) avait un fil légèrement noircis, donc je l ai remplacé sur une dizaine de cm.

- 1492EAB8-ABB0-4727-888D-97E4F57D307E.jpeg (298.57 Kio) Vu 10118 fois
J ai rebranche la batterie…
Essais….
Toujours pareil, pas de bruit de démarreur
Sam 7 Mai 2022, 13:38
Bonjour gyro64 il y a un clac clac quand tu actionnes la clé ?
Ton démarreur est peut être collé par l'inactivité sur 4 ans.
Sam 7 Mai 2022, 14:08
NON, NON, aucun bruit de demarrerur, pas de clac clac.
J'ai terminé de verifié à nouveau depuis la batterie...
Le relais 433 dans le compartiment moteur, "claque" bien quand je mets la clé dans le contact et que je vais sur la derniere position a droite. Le claque du relais dure 1 seconde environ. Donc l'information de demande de démarrage arrive bien jusqu'à lui.
Les faisceaux sous le plancher dans l'habitacle ont été repris, avec 3 ou 4 épissures dont une seule paraissait nécessaire en raison du fil légèrement noircit dedans ( un fil noir seul).
Je ne parviens pas à accéder par la roue ( en décalant le protège boue) aux tuyaux d'évacuation d'eau de la baie de pare brise et il y a visiblement un résidu d'eau au fond, donc je démonte les essuies glaces et le cache devant pour voir si je peux y accéder par dessus et rentrer un fil de métal ou autre.
Du coup, si c'st comme sur le Q7, je risque d'avoir un soucis de calculateur si il est immergé ou a pris l'eau ( j'avais du faire réparer sur le Q7). Le calculateur moteur du cayenne a été changé il y a 8 ans par porsche et est donc neuf, mais si c'est lui qui est sous la baie de pare brise, donc immergé, ça explique peut être le fait qu'il ne donne pas l'ordre de lancer le démarreur.
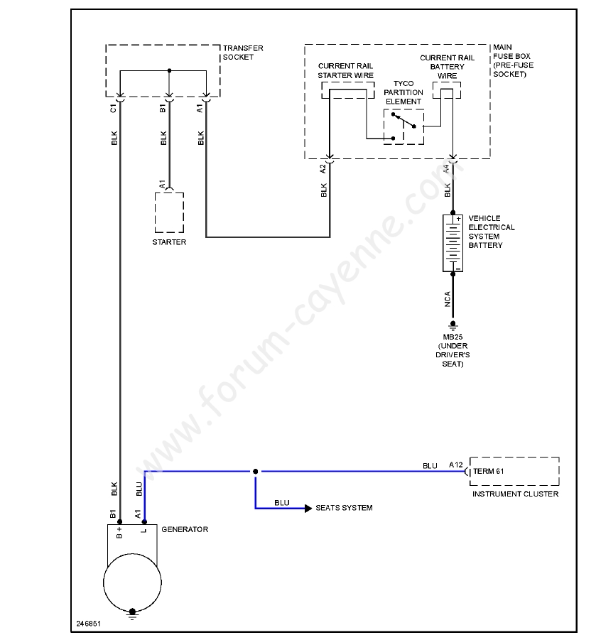
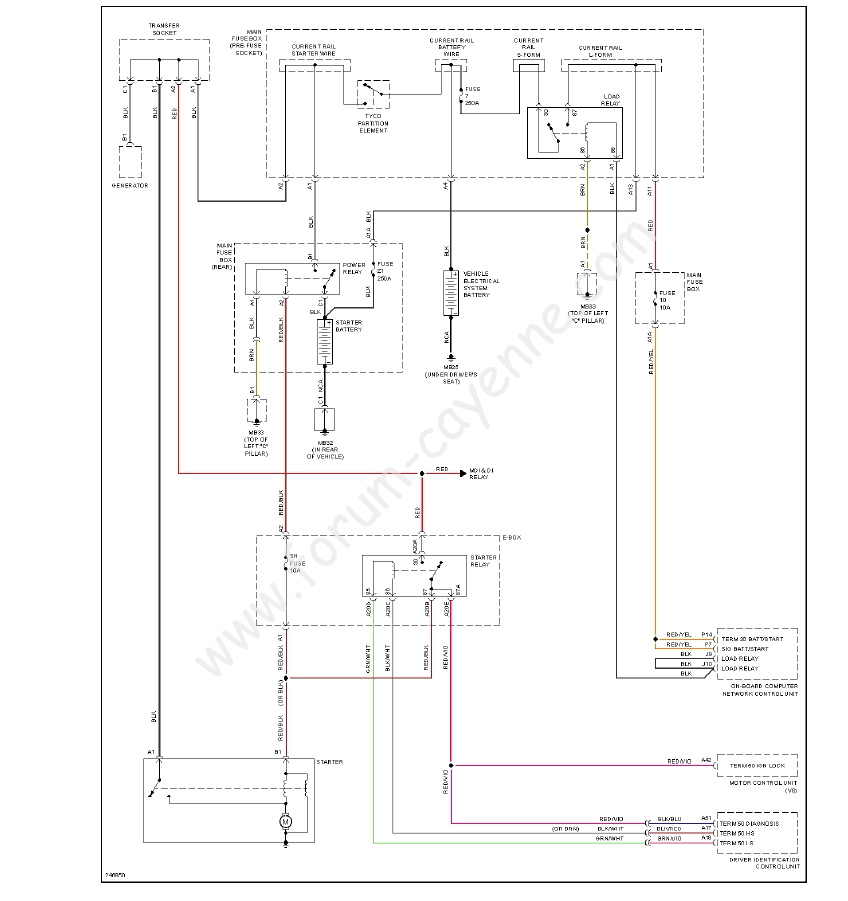
Je n'ai pas le schéma de câblage du cayenne afin de vérifier point par point la ligne du démarreur... si quelqu'un l'a je suis preneur !
Sinon oui, en effet, l'autre piste serait le démarreur "collé" ou "HS" a cause (ou pas) des durites en V qui perdent le liquide... mais dans ce cas je me dis que la batterie prendrai un coup a chaque fois et que donc cela se verrais au niveau de l'éclairage intérieur du véhicule et même de l'écran du tableau de bord ou autre...
Pour la suspension pneumatique, vous pouvez me confirmer qu'elle ne fonctionnera que quand le moteur sera démarré ? ( car le compresseur est neuf lui aussi, mais le véhicule e se gonfle pas, pas de bruit quand je mets le contact)..
Sam 7 Mai 2022, 17:19
Si tu vires le relais démarreur et que tu alimentes directement avec 2 fils :
engiman avais fait un tuto la dessus :
Verif calage distriCa doit tourner
Sam 7 Mai 2022, 22:15
oui shunte le contact du relais et voie si le démarreur tourne.
vérifie aussi le disjoncteur puissance sous le siège conducteur.
Sam 7 Mai 2022, 22:28

- Capture.PNG (29.03 Kio) Vu 10069 fois

- Capture1.PNG (41.29 Kio) Vu 10069 fois
Dim 8 Mai 2022, 04:45
Pour les suspensions pneumatiques, oui c'est moteur en marche uniquement.
Dim 8 Mai 2022, 07:44
engineman a écrit:oui shunte le contact du relais et voie si le démarreur tourne.
vérifie aussi le disjoncteur puissance sous le siège conducteur.
Bonjour, merci, j’avais regardé ta vidéo sur le calage du V8 mais n'ai pas bien compris:
Sur le relais 433, entre les bornes 85 et 86 de la bobine, j’ai du 12V permanent.
Entre les bornes 30 et 87, j’ai du +12V durant une seconde , lorsque je mets un coup de clé en position démarrreur.

- 433
- 84679950-8624-45D2-A6E5-B3C2B2F47946.jpeg (188.41 Kio) Vu 10043 fois
Tu me conseilles donc de shunter quelles pins exactement, 85-86 entre elles ou le
Couple 30-87 ?
De plus, qu’appelles tu disjoncteur de puissance sous le siège, j’ai vérifié tous les fusibles y compris le gros noir à point jaune.

- F9B0749B-0854-446F-858B-E90879E3349F.jpeg (362.37 Kio) Vu 10043 fois
Merci
Dim 8 Mai 2022, 10:12
Rectificatif : j’ai :
Sur le relais 433 du compartiment moteur :
+12V entre 87 (borne négative ) et 30 (borne positive) ( donc -12V entre 87 borne positive et 30 borne négative du multimètre)
+12V durant 1 seconde quand j active la clé en position démarreur, entre les bornes 85 et 86 (le « contact »?)
Si je positionne un fil entre les bornes 87 et 30, rien ne se passe, pas de bruit de démarreur.
Dim 8 Mai 2022, 10:29
Donc si tu mets un fil entre 30 et 87 ca fait "coller" le solénoïde du démarreur et le fait tourner(commande puissance).
Si rien ne se passe soit le démarreur a un problème soit la commande est coupée quelque part (peu probable).
Il faut déposer le collecteur d'admission et faire les mesures directement sur le démarreur.
Pour moi soit charbons collés ou contact oxydé du solénoïde .
Dim 8 Mai 2022, 13:08
Ok, merci, donc je vais continuer à démonter pour aller au démarreur.
Mon diagnostique initial, basé sur le fait que si le démarreur était “collé”, quand je tourne la clé en position démarrage il devrait y avoir des índices (chute de tensión, coupure électrique, etc…) est donc peut être toujours valable. Vu que je n’ai pas ces symptômes, je pensai donc à un soucis de fil de masse (la grosse tresse noire qui est fixée au châssis à l avant côté passager, au niveau de l amortisseur de roue…
Donc le démontage du démarreur me permettra de le tester “sorti” pour voir si en effet c est un soucis de démarreur ou de câblage :)
En attendant je peux remettre en place la moquette avant côté siège conducteur sous laquelle les fils ont étés repris en “préventif”.
Petite vidéo pour les éventuelles autres personnes intéressées par tes infos:
Dim 8 Mai 2022, 18:02
Ps : il y a possibilité de faire tourner le moteur à la « main » pour voir si il est lui aussi bloqué ?
Je pensais à essayer avec un cliquet ou autre, sur une poulie, mais laquelle et n’y a t’il pas de risque de décaler la distribution ?
Dim 8 Mai 2022, 21:44
Tu peux faire tourner la poulie vilo avec douille et cliquet de 27 dans le sens des aiguille d'une montre sans risque.
Le plus simple est de passer par le dessous car peu de place.
Vérifie aussi si le contacteur de pédale freins fonctionne bien (feux stop qui s'allume et petit clic au niveau du levier de vitesse) car il peut empêcher le démarrage.

- s-l1600.jpg (118.92 Kio) Vu 9991 fois
Lun 9 Mai 2022, 18:41
Bonsoir à tous,
J’ai tenté de mettre le cliquet pour faire tourner manuellement le moteur, mais pas assez de place pour lui entre la poulie et le cache protection du ventilateur… bon, pas trop grave on s’en passera.
Je suis bloqué à deux endroits dont 1 qui sera débloqué une fois que j aurai acheté la douille nécessaire pour dévisser le support de valant du moteur.
Le deuxième blocage paraît plus problématique car contrairement aux tutos vus jusque là, j’ai un fil qui descends sous la partie de la bobine la plus proche du ventilo, et idem de l autre côté… donc le collecteur d échappement ne pourra pas sortir à cause de ce câble pris dans le faisceau bobines , capteur, etc… (peut être dû à l installation flex fuel E85…)

- 7B9C1ACB-962C-46EB-8587-687A76E925F8.jpeg (222.33 Kio) Vu 9947 fois

- 152E84CB-62A4-466B-8FDD-A3C9B0BDB829.jpeg (211.13 Kio) Vu 9947 fois
Lun 9 Mai 2022, 20:57
Je crois que je me trompe à essayer de débrancher et libérer le faisceau car il ne restera pas sur le collecteur d échappement à retirer, mais sur le moteur avec les bobines etc…
Ce sont les connectiques des injecteurs qu’il faut retirer… par celles des bobines …
Je rectifie demain, et essayerai de trouver l’outil pour le support moteur.
Lun 9 Mai 2022, 22:13
Pour ce qui est du support moteur, il faut que tu achètes un petit coffret de douilles ZXN.
Ça se trouve dans les magasins auto pour une vingtaine d’€, et c’est indispensable sur le Cayenne si tu veux commencer à mettre les mains dedans.
Po xe qui est du collecteur que tu souhaites démonter en effet pas besoin de virer les bobines, juste les injecteurs à débrancher car le mieux est de sortir la rampe d’injection complète avec.
Lun 9 Mai 2022, 22:23
Voici une photo du résultat, une fois demonté. Au passage attention au fond il y a une durite clipsee avec un système à la con qui m’avait pris un temps fou pour comprendre comment l’enlever car l’accès est très chiant :

- 99062BF0-CB78-49BD-98C7-D1AC1EBB99C3.jpeg (399.71 Kio) Vu 9912 fois
Et là à droite le collecteur tel qu’il doit être enlevé. Il n’est pas nécessaire de démonter le papillon, il peut venir avec.

- 3908789A-CF7F-4698-A2B1-EB489C68C14B.jpeg (422.22 Kio) Vu 9912 fois
Et attention au faisceau des injecteurs, les connecteurs doivent être manipulés sans forcer car les fils électriques peuvent avoir durci avec l’âge et risquent de casser.
Mar 10 Mai 2022, 11:02
Oui une vraie plaie.
C’est une fois demonté et accessible que tu comprends le mécanisme et comment faire facilement
Mer 11 Mai 2022, 13:41
Bonjour à tous,
Je ne peux pas poursuivre le démontage en attendant la bonne douille XZN...
En attendant, j'en ai profité pour effectuer un diag valise avec le câble pour mon Q7 ( sans avoir modifié les pins 3 et 7), et je suis surpris et inquiet du résultat ... ( Cf pj pour le fichier complet pour les puristes...).
En effet, dans la rubrique anti démarrage, j'ai 7 défauts !!! C'est peut être d'avantage ici que je dois creuser mon soucis de pas entendre le démarreur tourner, plutôt qu'un problème purement mécanique de démarreur en lui même, non ??
Adresse 05: Autor. démarrage Labels: 3D0-909-13x-05.lbl
No. pièce Log: 3D0 909 135 N Mat: 5WK 470 21
Pièce: Kessy 6610
Révision: 66105312
Codage: 0000161
No. Atelier: WSC 31414 000 00000
VCID: 306FA5C7A7235A06A2-8064
Sous-système 1 - No. pièce: XXXXXXXXXXX
Pièce: ELV XXXX
7 Codes défaut trouvés:
00668 - Tension de bord borne 30
009 - Rupture/c.c. à la masse - Intermittent
00087 - Borne 30 pour récepteurs servant au démarrage
009 - Rupture/c.c. à la masse - Intermittent
00576 - Borne 15
009 - Rupture/c.c. à la masse
00171 - Clé 1 non apprise
008 - Signal Implausible
00189 - Activation 2 relais d´alimentation tension borne 50
011 - Coupure
01049 - Tension de bord borne 50
009 - Rupture/c.c. à la masse
00185 - Capteur d´effleurement poignée de porte extérieure AR G
009 - Rupture/c.c. à la masse
Mer 11 Mai 2022, 13:58
D'apres mes recherches :
Borne 30 : + permanent
Borne 15 : + apres contact
Bore 50 : contact du relais de demarreur
Ces defauts sont probablement dus au fait que le diag est fait avec le relais 433 du compartiement moteur retiré.
Mais :
Clé 1 non apprise : cela peut etre le soucis de non lancement du demarreur ... mais comment resoudre ? ( avec le double des cles, meme soucis !... piles des telecommandes controlées, OK 3V)... comment faire l aprrentissage des cles ?? ( pourtant elles ouvrent et ferment bien le vehicule a distance donc elles sont bien programées...!!)
Mer 11 Mai 2022, 16:24
Ouverture et fermeture des portes sont liées au circuit de télécommande dans la clé. Celui alimenté par la pile plate.
L’anti-démarrage est lié au petit transpondeur situé dans un petit compartiment de la coque plastique de la clé.
Il y a de grandes chances qu’au bout de quatre ans l’anti-démarrage ne reconnaisse plus le transpondeur.
Pour certains constructeurs, il y a une procédure pour réactiver le transpondeur. Chez Porsche, je pense qu’il faut réactiver les clés avec le code fourni sur une étiquette accompagnant les clés. Donc passage en concession, car selon moi cette manip se fait en ligne avec le constructeur.
Donc avant de tout démonter, il faut réactiver ce transpondeur.
Powered by phpBB © phpBB Group.
phpBB Mobile / SEO by Artodia.